Самовивіз зі складу
Доставка товару кур'єром "Нової пошти"
Доставка по всій Україні здійснюється транспортною компанією "Нова Пошта"
Доставка великогабаритної продукціїї здійснюється за індивідуальними домовленостями.
Сплатити куплений товар можна будь-яким зручним способом:
- При отриманні в службі перевезення НОВА ПОШТА або інша (накладений платіж доступний для всіх регіонів України, за це перевізник вимагатиме додаткової плати);
- Онлайн оплата на карту (LiqPay);
- Передплата - Оплата через банк за виставленим рахунком-фактурою;
- Оплата за реквізитами.
Увага! Це офіційне сповіщення.
Ми прикладаємо всі можливі зусилля, щоб надати точну та достовірну інформацію в описі товарів. Проте, слід зазначити, що джерелом цієї інформації є виробник чи дистриб'ютор обладнання, і тому зображення надані виключно як приклади товару і можуть відрізнятися від фактичного вигляду продукції. Крім того, технічні характеристики, зовнішній вигляд та комплектація товару можуть бути змінені виробником без попередження. Тому, перш ніж здійснити покупку обраного товару, ми рекомендуємо уточнити всі важливі для вас специфікації конкретної моделі у менеджерів компанії Prof Portal.
Конденсатор Lloyd серії APX - це високоефективний теплообмінник, розроблений для холодильних установок і систем кондиціонування повітря, де важливі надійність, стабільна робота та індивідуальне виконання під конкретні технічні вимоги. Виробник має багаторічний досвід у виготовленні теплообмінників для OEM-замовників та спеціалізується на нестандартних інженерних рішеннях.
Конструкція конденсатора забезпечує ефективний тепловідвід, оптимальний повітряний потік та тривалий ресурс експлуатації навіть у складних умовах. Завдяки широкому вибору конфігурацій, матеріалів і захисних покриттів, обладнання може застосовуватись як у промислових, так і в комерційних холодильних системах.
Сфера застосування
- Виносні повітряні конденсатори
- Компресорно-конденсаторні агрегати
- Чилери різних типів
- Системи прецизійного кондиціонування
- Холодильні шафи, вітрини та прилавки
- Охолоджувачі напоїв і молокоохолоджувачі
- Транспортні холодильні установки та кондиціонери
Конструктивні рішення та виконання
- Прямі, L-подібні або U-подібні теплообмінні батареї
- Корпус із вентиляційними дифузорами під вентилятори діаметром від 300 до 630 мм
- Порошкове фарбування у стандартних кольорах товщиною до 120 мкм
- Антикорозійне та антимікробне захисне покриття LCE Coating
- Ламелі з гідрофільним або вініл-епоксидним покриттям для підвищеної стійкості
- Гладкі, рифлені або суперрифлені трубки для оптимізації теплопередачі
- Можливість горизонтального, вертикального або універсального монтажу
- Виконання з додатковими контурами охолодження
- Підбір оптимальної конфігурації теплообмінника з вентилятором за допомогою розрахункового програмного забезпечення
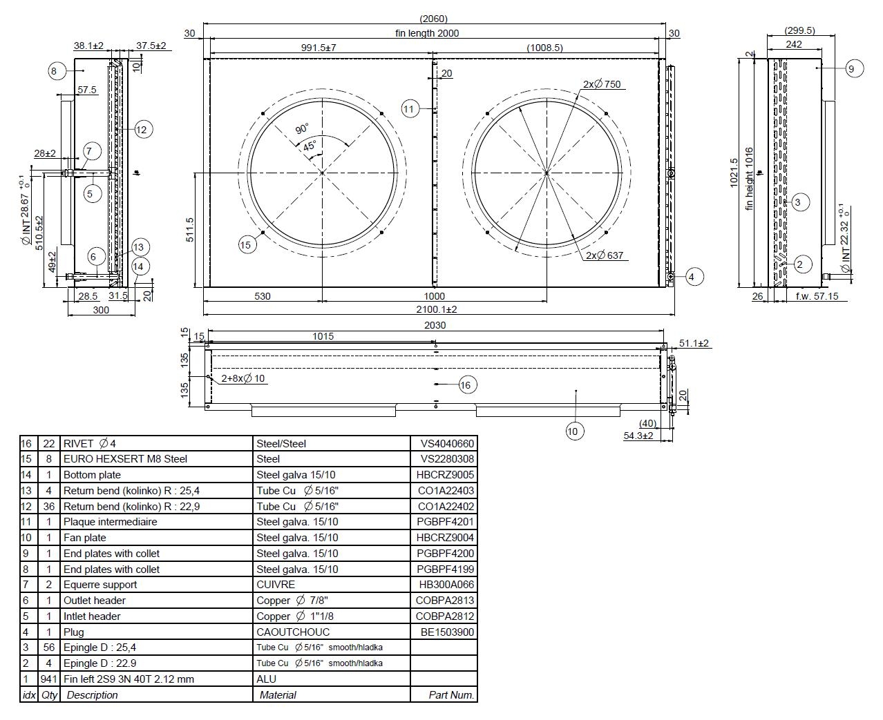
Схема-креслення конденсатора повітряного охолодження Lloyd APX-84:

Немає відгуків про цей товар, станьте першим, залиште свій відгук.